Термометры биметаллические коррозионностойкие ТБф-220 IP65 с возможностью гидрозаполнения
Номинальный диаметр корпуса
100 мм
Класс точности
- 1,0 (базовый)
Степень пылевлагозащиты
- IP65 (базовая)
Тип присоединения на штоке (термобаллоне)
без резьбы на штоке
Межповерочный интервал — 2 года для кт.1,0, 3 года для кт.1,5
Сроки доставки — 5-7 дней
Широкий ассортимент
Собственное производство
Работаем по всему Казахстану
Развитая сеть представителей
Ремонтопригодность
Надежная конструкция приборов
Импортозамещение
Модели соответсвуют зарубежным
- Характеристики
- Диапазон показаний
- Длина штока
- Гарантии
- Документы
- Видео
-
ХарактеристикиТермометры биметаллические коррозионностойкие ТБф-220 IP65 предназначены для измерения температуры жидких и газообразных агрессивных к медным сплавам сред и отображения измеренных значений на показывающем устройстве.
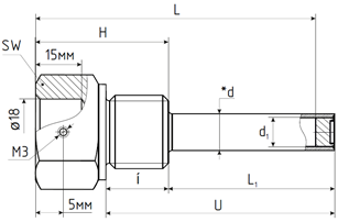
ВАЖНО! Корпус и шток (термобаллон) коррозионностойких термометров изготавливаются из нержавеющей стали, тип присоединения на штоке - без присоединительной резьбы. Для данной модели защитная гильза является обязательной частью. Прибор поставляется только в комплекте с гильзой из нержавеющей стали с посадочным диаметром 18 мм, без гильзы не используется.
ВАЖНО! Приборы поставляются с повышенной степенью пылевлагозащиты IP65, многослойным безопасным стеклом и имеют климатическое исполнение УХЛ1.
ВАЖНО! По заказу потребителя приборы могут быть изготовлены в виброустойчивом исполнении со степенью виброзащиты V4. Виброустойчивость приборов обеспечивается за счет заполнения полости корпуса демпфирующей жидкостью (ПМС-300).
ВАЖНО! По заказу потребителя и на специальных условиях приборы могут быть изготовлены со степенью пылевлагозащиты IP67.ТУ 26.51.51-402-64115539-2019
Номинальный диаметр корпуса100 мм
160 ммКласс точности- 1,0 (базовый)
- 1,5 (по заказу)Степень пылевлагозащиты- IP65 (базовая)
- IP67 (по заказу, специальные условия)Тип присоединения на штоке (термобаллоне)без резьбы на штокеМатериал штока (термобаллона)нержавеющая стальРасположение штока (термобаллона)- ОШ (осевое, сзади)
- РШ (радиальное, снизу)
- УШ (универсальное)Диаметр штока (термобаллона), мм- *6 мм
- *8 мм
- *10 ммДлина гильзы в комплектепо заказу потребителя, согласно утвержденного прайс-листаПосадочный диаметр в гильзу18 ммРабочее давление измеряемой среды на гильзе25 МПаРегулировканетМатериал корпусанержавеющая стальОбечайкабайонетная, нержавеющая стальСтекломногослойное безопасноеЦиферблаталюминиевый сплав, окрашенный в белый цветУстойчивость к климатическим воздействиямУХЛ1 по ГОСТ по ГОСТ 15150-69Диапазон температуры окружающей среды, оС- от -70 до +60 оС (без заполнения)
- от -60 до +50 оС (при заполнении ПМС-300)Виброзащищенность- группа N2 по ГОСТ 52931-2008 (без заполнения)
- группа V4 по ГОСТ 52931-2008 (при заполнении ПМС-300)Чувствительный элементбиметаллическая спиральМасса не более, кгd.100 - 1,0 кг
d.160 - 1,2 кгСредний срок службы8 лет -
Диапазон показаний
Диапазон показаний термометра, С0 *
(по заказу потребителя может быть выражен в других единицах измерения)
ТБф-220 IP65
ТБф-220 IP65 ВУ *-10…0…110 °С;
-20…0…40, 60, 100, 130, 180, 230, 280, 330 °С;
-30…0…50, 70, 90, 120, 170, 220, 270, 320 °С;
-40…0…40, 60, 70, 110, 160, 210, 260, 310 °С;
-50…0…50, 100, 150, 200, 250, 300 °С;
-60…0…60, 100, 120, 150, 160, 200, 250, 300 °С;
0…50, 60, 80, 100, 120, 150, 160, 200, 250, 300, 350, 400, 450, 500, 600 °С.
* наценки за исполнения и ограничения на производство в разделе прайсы. -
Длина штока
Возможные монтажные длины защитных гильз термометра, мм *
ТБф-220 IP65
ТБф-220 IP65 ВУU64, 67, 70, 75, 80, 85, 90, 95, 100, 106, 112, 118, 120, 125, 132, 140,
150, 160, 170, 180, 190, 200, 212, 224, 230, 236, 250, 265, 280,
300, 315, 335, 355, 375, 400, 425, 450, 475, 500, 530, 560,
600, 630, 670, 710, 750, 800, 850, 900, 950,
1000, 1060, 1120, 1180, 1250, 1320, 1400, 1500.
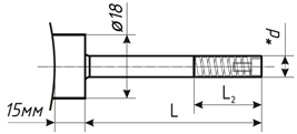
Шток ТБф-220 ГЗ-РТ для ТБф-220

* для данной модели защитная гильза является обязательной частью.
ВАЖНО! Прибор поставляется только в комплекте с защитной гильзой, без гильзы не используется. Монтажная (внешняя) длина гильзы считается от опорной поверхности и включает в себя резьбовое присоединение к процессу или другому оборудованию. Монтажная длина штока имеет значение только для определения того, какая гильза может быть использована в комплекте с данным прибором. Опорной поверхностью, для определения монтажной длины штока, является нижний край не резьбового соединительного элемента. -
Гарантии
Гарантийный срок эксплуатации - 36 месяцев со дня ввода прибора в эксплуатацию при соблюдении потребителем правил эксплуатации, транспортирования, хранения и монтажа согласно руководству по эксплуатации.
Гарантийный срок хранения прибора – 12 месяцев с момента изготовления.
-
ДокументыОтказное письмо (гильзы) Размер: 359,3 кбОтказное письмо (термометры) Размер: 295,2 кб2019 ДСС ТУ_ТБф Размер: 694,4 кбОписание типа Размер: 2,1 мбСокращения и условные обозначения исполнений приборов ФТ Размер: 259,5 кбСУТ ТБф Размер: 555,6 кбcертификат соответствия (тр тс 032) Размер: 1,4 мбдс тр тс032 Размер: 251,8 кбСертификат соответствия ТР ТС 012 ТБф Размер: 2,8 мб
Документы СНГ
Документы для проектировщиков
Руководство по эксплуатации Размер: 715,4 кбМетодика поверки Размер: 2,1 мбОбразец паспорта. Термометры Размер: 939 кбКарта заказа термометров ФТ Размер: 518,9 кбОбразцы шкал ТБф 160 кт1,0 IP65 Размер: 7,4 мбОбразцы шкал ТБф 100 кт1,0 IP65 Размер: 5,7 мб -
Видео
Не нашли подходящее оборудование?
Отправьте заявку, и наши специалисты в кратчайшие сроки подберут для Вас наиболее подходящее оборудование











